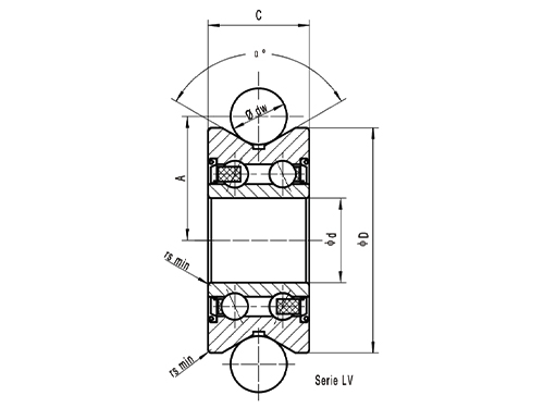
Spårrullar med "V"-spårprofil-Vee'd-lager
| Guide Rullmodell | Storlek (mm) | Nyttolaster | vikter | ||||||||
| CNCJ | DW | d | D | B | C | A | α | rs | Cr(N) | Majs) | ≈(g) |
| LV20/7 ZZ | 10 | 7 | 22 | 11 | 11 | 14.5 | 120 | 0.3 | 3.78 | 2.05 | 17 |
| LV20/8 ZZ | 10 | 8 | 30 | 14 | 14 | 18.1 | 120 | 0.3 | 5.13 | 2.67 | 49 |
| LV202-38 ZZ | 10 | 15 | 38 | 17 | 17 | 22.25 | 120 | 0.5 | 8.47 | 5.37 | 87 |
| LV202-40 ZZ | 10 | 15 | 40 | 18 | 18 | 22 | 120 | 0.5 | 8.47 | 5.37 | 110 |
| LV201 ZZ | 20 | 12 | 41 | 20 | 20 | 28 | 120 | 0.3 | 8.47 | 5.37 | 130 |
| LV201-14.2RS | 14 | 12 | 39.9 | 20.1 | 18 | 24 | 100 | 0.5 | 8.9 | 5 | 107 |
| LV202-41ZZ | 20 | 15 | 41 | 20 | 20 | 28 | 120 | 0.5 | 8.47 | 5.37 | 116 |
| LV203 ZZ | 20 | 17 | 58 | 25 | 25 | 35 | 120 | 0.5 | 14.66 | 9.1 | 325 |
| LV204-57 ZZ | 30 | 20 | 57 | 22 | 22 | 41 | 120 | 0.6 | 14.66 | 9.1 | 290 |
| LV204-58 ZZ | 30 | 20 | 58 | 25 | 25 | 41 | 120 | 0.6 | 14.66 | 9.1 | 310 |
I den snabba värld av industrimaskiner tar aldrig strävan efter effektivitet, hållbarhet och utrymmesbesparande design slut. Ingenjörer och underhållschefer letar ständigt efter komponenter som kan...
LÄS MERI industrimaskiner, automatiserade produktionslinjer och tung utrustning spelar bandrullager en avgörande roll. De stödjer och styr rörelsen av rullande komponenter, vilket säkerställer effektiv dr...
LÄS MERI tunga maskiner är valet av lager avgörande. De utför inte bara uppgifterna rotation och stöd utan påverkar också direkt utrustningens stabilitet, hållbarhet och driftseffektivitet. Bland de många...
LÄS MERDubbelradiga kullager används ofta i motorer, mekanisk utrustning, fläktar, bildelar och andra applikationer eftersom de samtidigt kan motstå radiella och dubbelriktade axiella belastningar. ...
LÄS MERVee'D-serien rullager sticker ut med sin unika "V"-profildesign. Denna innovativa design förbättrar inte bara lagrets bärförmåga, utan förbättrar också avsevärt dess styrnoggrannhet och stabilitet. Jämfört med traditionella rullager kan den "V"-formade spårstrukturen fördela belastningen mer effektivt och minska spänningskoncentrationen, vilket förlänger lagrets livslängd. Samtidigt optimerar designen också den rullande kontaktytan, minskar friktionskoefficienten och ger en jämnare och tystare sportupplevelse. Vee'D-seriens rullager är särskilt lämpliga för applikationer som kräver högprecisionspositionering, höghastighetsdrift eller tål stora sidokrafter, såsom automationsutrustning, industrirobotar, precisionsmätinstrument och andra områden.
Ningbo Wanshun demonstrerade till fullo sin starka tekniska innovationsförmåga under forsknings- och utvecklingsprocessen för Vee'D-seriens rullager. Företaget har investerat mycket resurser och etablerat ett FoU-team bestående av industriexperter och seniora ingenjörer, med fokus på utforskning och tillämpning av nya material, nya processer och ny teknik. Genom att kontinuerligt optimera materialformeln, förbättra värmebehandlingsprocessen och förbättra bearbetningsnoggrannheten har Ningbo Wanshun framgångsrikt övervunnit begränsningarna hos traditionella rullager när det gäller slitstyrka, belastningskapacitet och noggrannhet, vilket ger Vee'D-serien rullager. oöverträffad utmärkt prestation. .
Kvalitet är livlinan för Ningbo Wanshun. Under tillverkningsprocessen av Vee'D-seriens rullager följer företaget alltid ISO9001 kvalitetsledningssystemstandarden. Från råvaruanskaffning, produktion och bearbetning till inspektion av färdig produkt, varje länk är strikt kontrollerad för att säkerställa att produktkvaliteten uppfyller eller till och med överträffar industristandarder. Företaget är också utrustat med avancerad testutrustning och ett professionellt testteam för att utföra omfattande testning och utvärdering av olika prestandaindikatorer för lagren för att säkerställa att varje uppsättning rullager i Vee'D-serien kan uppfylla kundernas stränga krav. Det är denna ultimata strävan efter kvalitet som har gjort det möjligt för Ningbo Wanshuns rullager i Vee'D-serien att vinna stort erkännande och förtroende på marknaden.
Med den djupgående utvecklingen av industriell automation och intelligent tillverkning fortsätter marknadens efterfrågan på Vee'D-seriens rullager att växa. Med sin unika design och utmärkta prestanda används denna serie av produkter i stor utsträckning inom industriell automationsproduktion, CNC-verktygsmaskiner, halvledarutrustning, medicinsk utrustning och andra områden. Bland dessa högkvalitativa utrustningar spelar rullager i Vee'D-serien en avgörande roll, de förbättrar inte bara utrustningens driftseffektivitet och noggrannhet, utan främjar också omvandling, uppgradering och högkvalitativ utveckling av relaterade industrier.